Bajas existencias: quedan 1
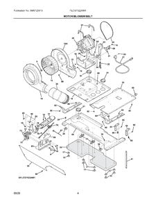
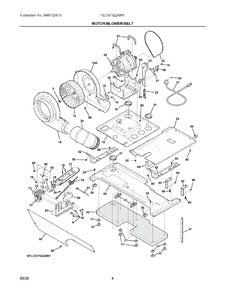
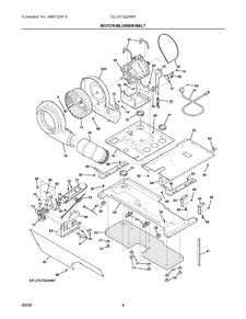
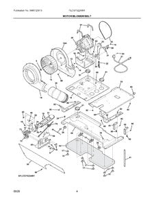
Correa para secadora de ropa / Dryer belt
Correa para secadora de ropa / Dryer belt
$13.50 USD
No se pudo cargar la disponibilidad de retiro
Modelo: 137292700
Correa original para secadora de ropa / Original Dryer belt
87.8 pulgadas de largo
Sustituye los numeros de parte 5303283471, WE4M29
Share

Vistos recientemente
No has visto productos